Photon Particle Setup Garage Door

Particle Photon Mqtt Integration With Adafruit Io

Particle Photon Mqtt Integration With Adafruit Io

Ok Google Open My Garage Using A Particle Photon Hackster Io

Ok Google Open My Garage Using A Particle Photon Hackster Io

Particle Photon Smartphone Garage Door Opener John Cohen S Mobile Computing Portfolio

Particle Photon Smartphone Garage Door Opener John Cohen S Mobile Computing Portfolio

Garage Door Minder Photon Iot Sixerdoodle Electronics

Garage Door Minder Photon Iot Sixerdoodle Electronics

Using Particle Photon With Johnny Five And Voodoospark Doug Seven

Using Particle Photon With Johnny Five And Voodoospark Doug Seven

Internet Controlled Usb Socket Made From A Particle Photon 7 A Mosfet And A Type A Connector I Have Some Us Electronics Projects Neat And Tidy Little Things

Internet Controlled Usb Socket Made From A Particle Photon 7 A Mosfet And A Type A Connector I Have Some Us Electronics Projects Neat And Tidy Little Things

Internet Controlled Usb Socket Made From A Particle Photon 7 A Mosfet And A Type A Connector I Have Some Us Electronics Projects Neat And Tidy Little Things

With this setup you can continue to control your garage door even when you are not at home.

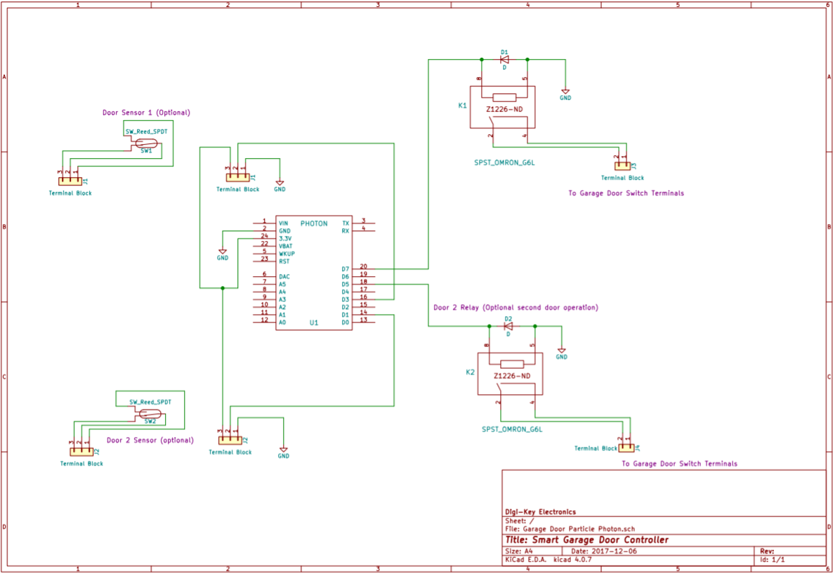
Photon particle setup garage door.

The first photon was used to control the door closing and opening. While it s an unlikely scenario it s not so far fetched to not provide a solution. This tutorial uses a particle photon to control a relay for the garage door. While the second was used to notify us when the garage door was open or closed.

I had some problems when i moved in when my wife put a cfl in and her opener worked and mine did not i have an older car. For less than the price of a new remote you can follow yoyoknows s guide and get a complete iot garage door system up and running. I just found out that the garage door project is interfering with the car garage door buttons. Once it is wired according to the circuit diagram and in parallel with your garage door button your push button switch on your smartphone will control the garage just as your wall switch does.

If you did anytime that the power went out to your particle core the garage door would open. The wifi on the photon is causing some noise and not allowing our garage door opener to work. In addition i am creating some particle variables and functions so i can a monitor the status location of the door and b send the photon button press commands from the particle console cli command line. We used 2 photons to regulate both parts of this project.

This will allow you to know what state the garage door is in closed door opening open door closing instead of just closed or open. With this particular relay breakout it s not possible to simply wire one relay.

Sending Photos And Video Over The Internet

Sending Photos And Video Over The Internet

Photon Particle Search Easyeda

Photon Particle Search Easyeda

Garagebot The Connected Garage Door Opener Hackster Io

Garagebot The Connected Garage Door Opener Hackster Io

Particle Photon Mqtt Smart Home On The Cheap Share Your Projects Home Assistant Community

Particle Photon Mqtt Smart Home On The Cheap Share Your Projects Home Assistant Community

Garage Door Status Monitor With Alert To Sms Text Hackster Io

Garage Door Status Monitor With Alert To Sms Text Hackster Io

Make A Cloud Data Logger With The Particle Photon Cloud Data Data Logger Home Automation

Make A Cloud Data Logger With The Particle Photon Cloud Data Data Logger Home Automation

Using Relays With Particle Electron Or Photon Youtube

Using Relays With Particle Electron Or Photon Youtube

Solved Particle Photon 5v 2 Channel Relay And Blynk Need Help With My Project Blynk Community

Solved Particle Photon 5v 2 Channel Relay And Blynk Need Help With My Project Blynk Community

Workspace Environment Monitor Envmon Work Space Indoor Air Quality Monitor

Workspace Environment Monitor Envmon Work Space Indoor Air Quality Monitor

Particle Photon

Particle Photon

Particle Photon With Blynk Tutorial Youtube

Particle Photon With Blynk Tutorial Youtube

Particle Photon Based Security System With Alerting Hackster Io

Particle Photon Based Security System With Alerting Hackster Io

Hey Google Control My Stuff

Hey Google Control My Stuff

Remote Relay Using Particle Photon 3 Steps Instructables

Remote Relay Using Particle Photon 3 Steps Instructables

Adding Intents For Rhasspy Offline Voice Assistant Hackster Io In 2020 Voice Assistant Sentence Examples Intentions

Adding Intents For Rhasspy Offline Voice Assistant Hackster Io In 2020 Voice Assistant Sentence Examples Intentions

Your Environmental Data On Arduino Iot Cloud Hackster Io Arduino Iot Clouds

Your Environmental Data On Arduino Iot Cloud Hackster Io Arduino Iot Clouds

Controlling Your Photon Device With Smartthings And Alexa 6 Steps Instructables

Controlling Your Photon Device With Smartthings And Alexa 6 Steps Instructables

Time Activated 8 Relay Particle Photon Controller 4 Steps Instructables

Time Activated 8 Relay Particle Photon Controller 4 Steps Instructables

Openhab On Pi Controlling Particle Photon Relay 3 Steps Instructables

Openhab On Pi Controlling Particle Photon Relay 3 Steps Instructables

Wireless Light Switch Manipulator Wireless Light Switch Light Switch Microcontrollers

Wireless Light Switch Manipulator Wireless Light Switch Light Switch Microcontrollers

Particle Photon Relay Setup Youtube

Particle Photon Relay Setup Youtube

Particle Kickstarter

Particle Kickstarter

Amazon Com Particle Debugger Internet Of Things Accessory For Wi Fi And Cellular Connectivity Development Boards Computers Accessories

Amazon Com Particle Debugger Internet Of Things Accessory For Wi Fi And Cellular Connectivity Development Boards Computers Accessories

Pretty Useless Machine Arduino Arduino Projects Useless

Pretty Useless Machine Arduino Arduino Projects Useless

Source : pinterest.com